ROHES MATERIAL:
- Isolierkörper: Polyamid 6 V2, rote Farbe (gemäß UL94).
- Anschluss: Messing vernickelt.
- Schrauben: verzinkter Stahl, metrisches Gewinde.
KONSTRUKTIVE MERKMALE:
- Glühdraht bei 960 ° C gemäß EN 60695-2-11.
- Technische Daten nach EN 60998.
Abgerundetes Design
ohne Kanten, um die Handhabung zu erleichtern und Schäden bei der Handhabung zu vermeiden.
Leicht abnehmbare Stangen
Keine Notwendigkeit für Werkzeuge. Glatter, gratfreier Schnitt.
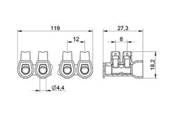
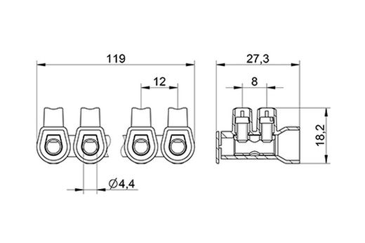
Verbindungskapazität:
- Starres Kabel: 10 mm² / 4 mm²
- Flexibles Kabel: 6 mm² / 4 mm²
Spannung: 450 V Temperatur: 110ºC Konstruktiv:
- 10 Pole in Standardversion.
- Mit leichtem Brechen und ohne Grate (um den Streifen in die gewünschte Anzahl von Polen zu schneiden).
- Weitwinkel groß genug, um alle erforderlichen Kabel einführen zu können, ohne das Kupfer in der Luft zu lassen.
- Bei Bedarf leicht abnehmbare Rückabdeckung.
- Schrauben angehoben und mit Gewinde versehen, unverlierbar. Schraubenfuß so konstruiert, dass der Leiter beim Anziehen nicht beschädigt wird.
- Vernickelte Klemmen, um die Haltbarkeit der Verbindung zu gewährleisten.
Intensität: 57 A Drehmoment: 0,8 Nm Metrisch: M 3,5